Ningbo Richge Technology Co., Ltd.
Ningbo Richge Technology Co., Ltd.
Prodotti
Interruttore di aspirazione dell'interruttore di colonna integrato in serie Zn12
  • Interruttore di aspirazione dell'interruttore di colonna integrato in serie Zn12Interruttore di aspirazione dell'interruttore di colonna integrato in serie Zn12
  • Interruttore di aspirazione dell'interruttore di colonna integrato in serie Zn12Interruttore di aspirazione dell'interruttore di colonna integrato in serie Zn12

Interruttore di aspirazione dell'interruttore di colonna integrato in serie Zn12

Model:ZN12-12
La serie Zn12-12 Interruttore a vuoto AC interno HV è l'attrezzatura interna di tre fasi AC 50Hz, tensione nominale di 12kV, che ha introdotto la tecnologia della società tedesca. È adatto per l'area con tutti i tipi di carico e funzionamento frequente e può essere utilizzato per la protezione e il controllo delle strutture elettriche industriali e minerarie, aziendali, centrali elettriche e sottostazioni. Questo prodotto è conforme ai relativi requisiti di standard GB1984, JB3855, DL403 e IEC.

Interruttore di aspirazione dell'interruttore di colonna integrato in serie Zn12

  Zn12-12 Interruttore a vuoto ad alta tensione interno tensione classificata di 12kV e il seguente quadro interno ad alta tensione, installato principalmente in quadri fissi, per le imprese industriali e minerarie, le centrali elettriche e le sottostazioni per la protezione e il controllo delle strutture elettriche, ed è idoneo per la rottura di carichi importanti e per le operazioni frequenti del luogo!

  Gli interruttori a vuoto in serie Zn12 sono dispositivi di quadro ad alta tensione interni con tensioni nominali di 12 kV, 24kV e 40,5 kV e trecase AC 50Hz. È un prodotto domestico sviluppato introducendo la tecnologia Siemens 3AF tedesca. Il meccanismo operativo dell'interruttore è un tipo di stoccaggio di energia a molla, che può essere gestito da AC o DC o manualmente. L'interruttore ha una struttura semplice, una forte capacità di rottura, una lunga durata e funzioni di funzionamento complete. E non vi è alcun pericolo di esplosione e la manutenzione è semplice. È adatto al controllo di controllo o di protezione dei sistemi di trasmissione e distribuzione di potenza come centrali elettriche, sottostazioni e imprese industriali e minerarie, in particolare adatti a morire carichi importanti e frequenti luoghi di funzionamento. La forma di installazione dell'interruttore nel mobile a interruttore può essere un tipo di interruttore di tipo fisso o di tipo prelievo. Questo prodotto è conforme agli standard pertinenti come GB1984, JB3855 e IEC62271-100 "Interruttore CA ad alta tensione".


Vantaggi:

1. L'interruttore di circuito ha approvato la valutazione del Ministero dei macchinari e del Ministero dell'energia elettrica nel 96 agosto, il che significa che la qualità è assolutamente garantita.

Il meccanismo dell'interruttore di circuito è integrato con l'interruttore e lo speciale meccanismo dell'attuatore di tipo di accumulo di energia a molla può essere gestito mediante accumulo di energia AC e CC o gestito manualmente.

Con una struttura semplice, una forte capacità di rottura, una durata di lunga durata, le funzioni di funzionamento completo, nessuna pericolo di esplosione e una facile manutenzione, questo interruttore è adatto per il controllo di controllo o di protezione del sistema di trasmissione e distribuzione di potenza come impianti elettriche, griglia elettrica della città, sottostazione, ecc. È particolarmente adatto per la rottura di carichi importanti e luoghi con frequenti operazioni.


Caratteristiche:

1. La capacità di rottura dell'arco della camera estintiva è alta, la capacità di carico attuale è bassa e la vita elettrica è lunga.

2. Il layout è dalla parte anteriore a posteriore, struttura semplice e compatta, funzionamento completo e manutenzione facile.

3. Per struttura e installazione, possono essere divisi in: tipo fisso orizzontale, tipo fisso inclinato, tipo mobile set centrale.






Informazioni di base.



Parametri tecnici



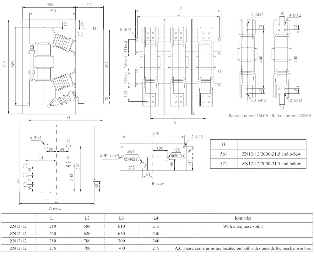
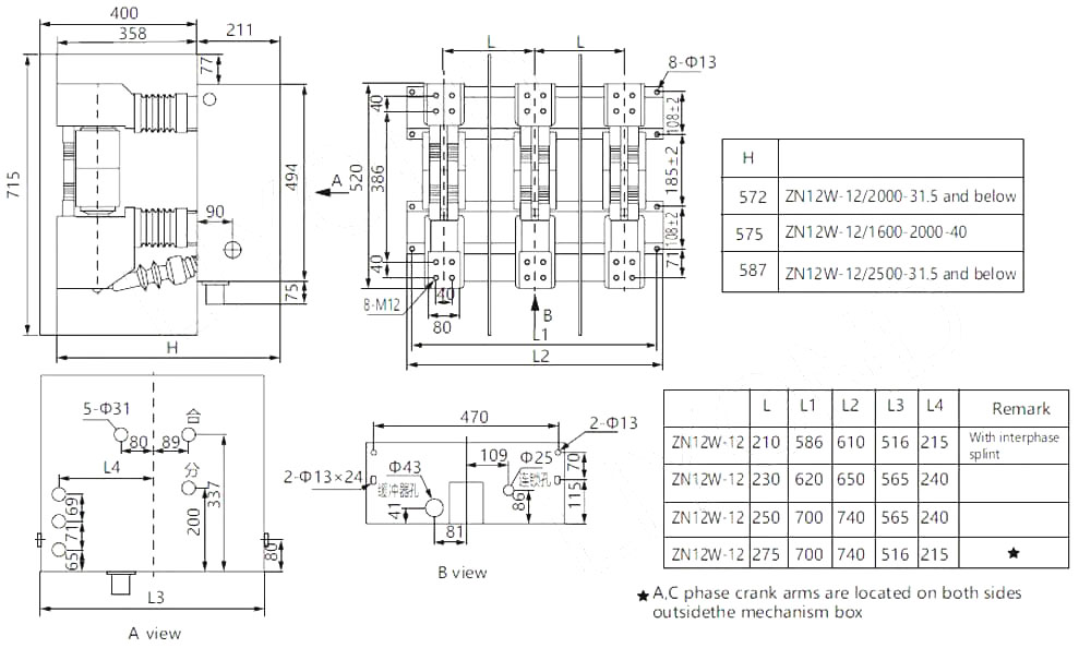
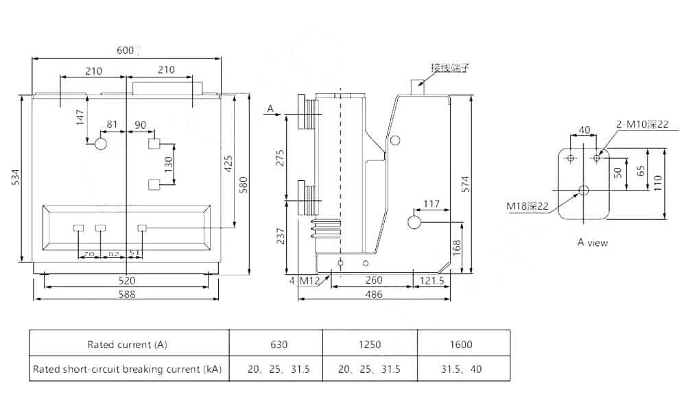
Disegni tecnici


Condizioni di utilizzo di ZN12-12 Interruttore di colonna integrato Interruttore a vuoto1. Altitudine: ≤1000 m; (L'altitudine del prototipo può raggiungere al di sotto di 4000 metri)

2. Temperatura ambiente: più alta +40 ° C, più basso -25 ° C;

3. Umidità relativa: media giornaliera non superiore al 95%, media mensile non superiore al 90%;

4. Intensità del terremoto: meno di 8;

5. Ambiente di installazione: nessun incendio, pericolo di esplosione, nessun gas corrosivo e nessun luogo di vibrazione violenta.

6. Si prega di contattare il produttore dell'interruttore a vuoto se l'ambiente di utilizzo supera quanto sopra.




FAQ

D: Potrei avere prezzi dei tuoi prodotti?

A: Benvenuto. Non esitate a inviarci una richiesta qui. Ti risponderemo entro 24 ore.


D: Posso ottenere un campione prima dell'ordine di massa?

A: Sì, diamo il benvenuto all'ordine di esempio per testare e verificare la qualità. I ​​campioni messi sono accettabili.


D: Possiamo stampare il nostro logo/ nome dell'azienda sui prodotti?

A: Sì, certo, accettiamo OEM, quindi abbiamo bisogno che tu ci fornisca l'autorizzazione del marchio


D: accetti la personalizzazione del prodotto?

A: Sì, ovviamente, fornisci disegni o parametri specifici, ti citeremo dopo la valutazione


D: Qual è il tempo di consegna?

A: Il tempo di consegna dipende dalle quantità ordinate, generalmente entro 7-20 giorni dalla ricezione del pagamento.


D: Quali sono i tuoi termini commerciali?

A: Accettiamo EXW, FOB, CIF, FCA, ecc.


D: Qual è il tuo metodo di pagamento?  

A: Accettiamo T/T, Western Union, PayPal, irrevocabile L/C a vista, ecc.


D: Ispezioni i prodotti finiti?

A: Sì, ogni fase di produzione e prodotti finiti verrà uscito dall'ispezione dal dipartimento QC prima della spedizione. E forniremo rapporti di ispezione delle merci per il tuo riferimento prima della spedizione


D: Come risolvere i problemi di qualità dopo le vendite?

A: Scatta foto dei problemi di qualità e inviaci per il nostro controllo e conferma, faremo una soluzione soddisfatta per te entro 3 giorni.




Fabbrica


Certificato




Tag caldi: Serie Zn12-12 Interruttore a colonna integrato Interruttore a vuoto, Cina, produttore, fornitore, fabbrica, prezzo basso, qualità, ultima vendita, avanzata
Invia richiesta
Informazioni di contatto
Per domande su quadri di bassa tensione, isolatori ad alta tensione, sezionatore di terra ad alta tensione o listino prezzi, lasciaci la tua email e ti contatteremo entro 24 ore.
X
We use cookies to offer you a better browsing experience, analyze site traffic and personalize content. By using this site, you agree to our use of cookies. Privacy Policy
Reject Accept