Ningbo Richge Technology Co., Ltd.
Ningbo Richge Technology Co., Ltd.
Prodotti
VBI-24 Tipo fisso Isolamento Cilindro MV Interruttore di vuoto
  • VBI-24 Tipo fisso Isolamento Cilindro MV Interruttore di vuotoVBI-24 Tipo fisso Isolamento Cilindro MV Interruttore di vuoto
  • VBI-24 Tipo fisso Isolamento Cilindro MV Interruttore di vuotoVBI-24 Tipo fisso Isolamento Cilindro MV Interruttore di vuoto

VBI-24 Tipo fisso Isolamento Cilindro MV Interruttore di vuoto

Model:VBI-24
L'interruttore a vuoto interno della serie VBI è una nuova generazione di interruttori di aspirazione intelligente. I suoi componenti in diretta, tra cui l'interruttore a vuoto ad alte prestazioni e i terminali in uscita superiore e inferiore, sono incapsulati nei terminali postali di resina epossidica. Questo design aiuta a prevenire la contaminazione sulla superficie dell'interruttore del vuoto, migliorando le sue proprietà di isolamento, stabilità meccanica ed estendendo la sua durata operativa. Il meccanismo di funzionamento del becher del circuito per vuoto di tipo VBI-24 viene utilizzato per l'energia di stoccaggio, che può essere gestito in due modi, manuale o elettrico. Le caratteristiche sono in conformità con GB1984-89, JB3855-96<10kv Indoor High Voltage Vacuum Circuit Breaker General Technical Specifications>, Disposizioni pertinenti dello standard IEC56. L'interruttore di aspirapolvere VBI-24 ad alta tensione interno è la tensione classificata trifase CA 50Hz , di dispositivo interno da 24 kV , per le imprese industriali e minerarie, centrali elettriche e sottostazioni come scopi di controllo e protezione delle apparecchiature elettriche e per il funzionamento frequente del luogo.

VBI-24 Tipo fisso Isolamento Cilindro MV Interruttore di vuoto

   Serie VBI-24 di interruttore di aspirapolvere ad alta tensione interno con poli incorporati è tre frase A.C.50 Hz Apparecchiature di distribuzione di energia interna con la tensione nominale di 24 kV.

   Il principale circuito conduttivo di questo tipo di interruttore a vuoto con meccanismo a molla è il polo incorporato, che può migliorare notevolmente l'affidabilità dell'isolamento, delle prestazioni meccaniche e di rottura e realizzare davvero la manutenzione libera e la vita meccanica ed elettrica più lunga. Questo tipo di interruzione del vuoto è conforme agli standard nazionali e alle stipulazioni dello standard IEC. La capacità raggiunge il grado di M-E2-C2.

   Il prodotto viene utilizzato per molti tipi di quadri come KYN28-24 (GZS1) e può essere fissata.

  L'interruttore di aspirapolvere VBI-24 ad alta tensione interno è la tensione classificata trifase CA 50Hz , di dispositivo interno da 24 kV , per le imprese industriali e minerarie, centrali elettriche e sottostazioni come scopi di controllo e protezione delle apparecchiature elettriche e per il funzionamento frequente del luogo.







Informazioni di base.


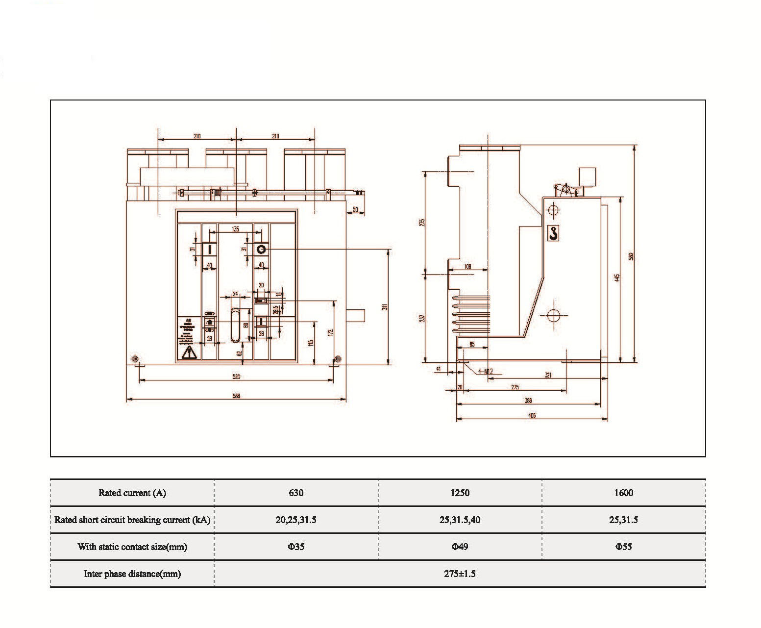
Parametri tecnici




Disegni tecnici

FAQ

D: Potrei avere prezzi dei tuoi prodotti?

A: Benvenuto. Non esitate a inviarci una richiesta qui. Ti risponderemo entro 24 ore.


D: Posso ottenere un campione prima dell'ordine di massa?

A: Sì, diamo il benvenuto all'ordine di esempio per testare e verificare la qualità. I ​​campioni messi sono accettabili.


D: Possiamo stampare il nostro logo/ nome dell'azienda sui prodotti?

A: Sì, certo, accettiamo OEM, quindi abbiamo bisogno che tu ci fornisca l'autorizzazione del marchio


D: accetti la personalizzazione del prodotto?

A: Sì, ovviamente, fornisci disegni o parametri specifici, ti citeremo dopo la valutazione


D: Qual è il tempo di consegna?

A: Il tempo di consegna dipende dalle quantità ordinate, generalmente entro 7-20 giorni dalla ricezione del pagamento.


D: Quali sono i tuoi termini commerciali?

A: Accettiamo EXW, FOB, CIF, FCA, ecc.


D: Qual è il tuo metodo di pagamento?  

A: Accettiamo T/T, Western Union, PayPal, irrevocabile L/C a vista, ecc.


D: Ispezioni i prodotti finiti?

A: Sì, ogni fase di produzione e prodotti finiti verrà uscito dall'ispezione dal dipartimento QC prima della spedizione. E forniremo rapporti di ispezione delle merci per il tuo riferimento prima della spedizione


D: Come risolvere i problemi di qualità dopo le vendite?

A: Scatta foto dei problemi di qualità e inviaci per il nostro controllo e conferma, faremo una soluzione soddisfatta per te entro 3 giorni.




Fabbrica


Certificato




Tag caldi: VBI-24 Tipo fisso Isolamento Cilindro MV Interruttore a vuoto, Cina, produttore, fornitore, fabbrica, prezzo basso, qualità, ultima vendita, avanzata
Invia richiesta
Informazioni di contatto
Per domande su quadri di bassa tensione, isolatori ad alta tensione, sezionatore di terra ad alta tensione o listino prezzi, lasciaci la tua email e ti contatteremo entro 24 ore.
X
Utilizziamo i cookie per offrirti una migliore esperienza di navigazione, analizzare il traffico del sito e personalizzare i contenuti. Utilizzando questo sito, accetti il ​​nostro utilizzo dei cookie. politica sulla riservatezza
Rifiutare Accettare